公司简介
企业文化
公司环境
油浸式电力变压器系列
干式电力变压器系列
非晶合金变压器系列
低压开关柜系列
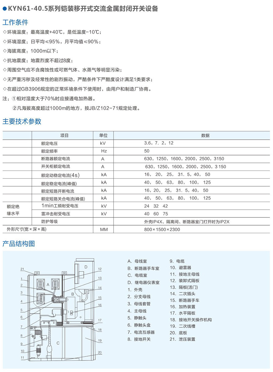
高压开关柜系列
箱式变电站系列
自动平衡配电变压器系列
上一个:HXGN15-12(SF6)型箱式固定式交流金属封闭开关设备
下一个:KYN61-40.5系列铠装移开式交流金属封闭开关设备
微信 咨询
客服 热线
0577-62635566 客服热线